一票多件设计方案
背景
1.基于现有业务发展,故开发一票多件流程
表结构
1.orders
ALTER TABLE orders
ADD COLUMN `waybill_type` int NOT NULL DEFAULT '1' COMMENT '运单类型:1一票一件,2-一票多件',
ADD COLUMN `parent_tracking_number` varchar(64) NOT NULL DEFAULT '' COMMENT '父跟踪号';
2.orders_ext
ALTER TABLE orders_ext
ADD COLUMN `asyn_lable_flag` int NOT NULL DEFAULT '1' COMMENT '标签生成方式:1-同步,2-异步',
ADD COLUMN `label_generate_status` int NOT NULL DEFAULT '2' COMMENT '标签生成状态:1-未完成,2-已完成,3-异常',
ADD COLUMN `package_no` varchar(64) NOT NULL DEFAULT '' COMMENT '包裹编号',
ADD COLUMN `package_total` int NOT NULL DEFAULT '1' COMMENT '订单总包裹数',
ADD COLUMN `package_number` int NOT NULL DEFAULT '1' COMMENT '当前包裹序号';
2.新增约束
ALTER TABLE orders ADD INDEX idx_parent_tracking_number(parent_tracking_number);
ALTER TABLE orders_ext ADD INDEX idx_package_no(package_no);
流程设计
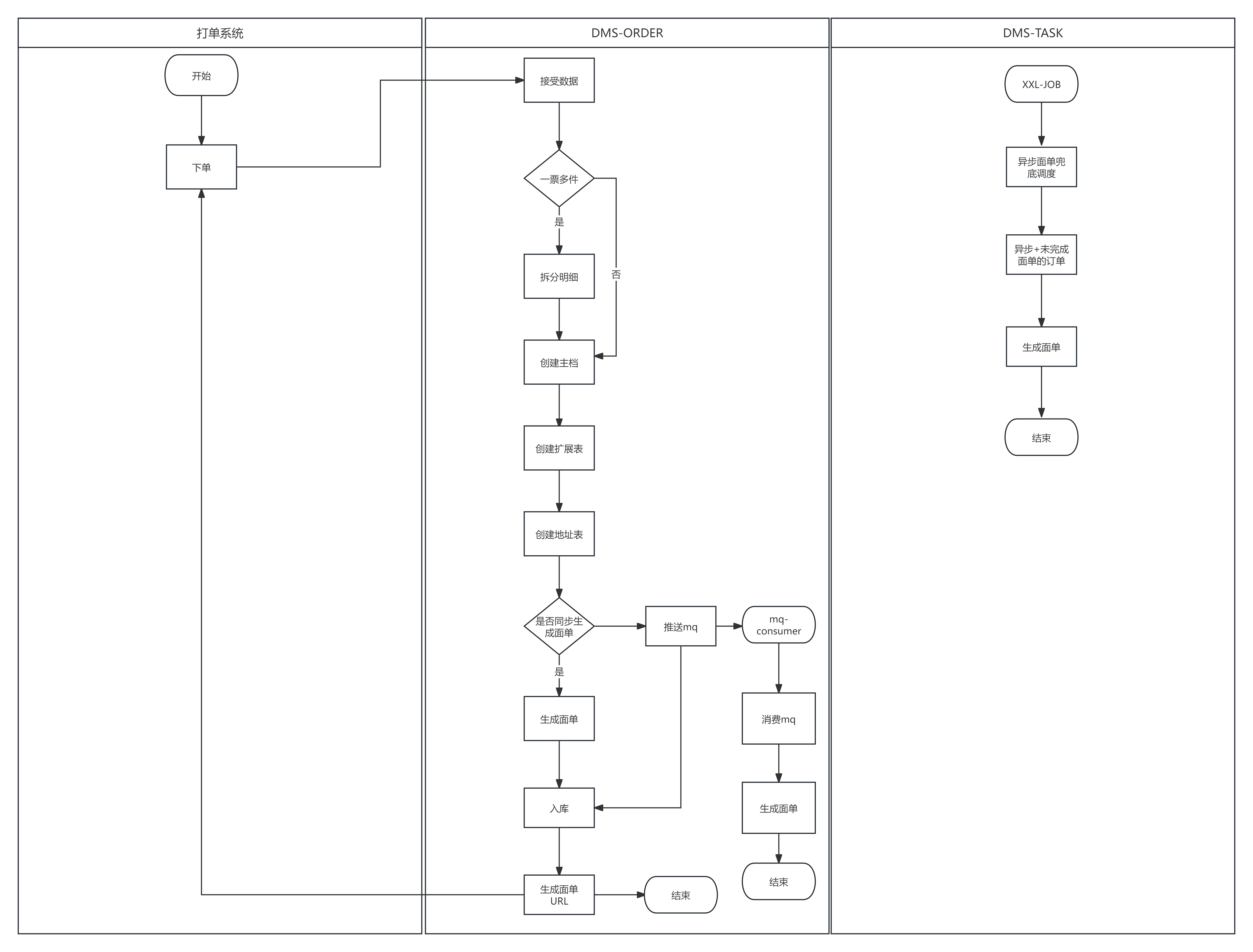
1.创建订单

2.取消订单

3.拦截订单

4.下载面单

作者:陆飞 创建时间:2025-12-18 16:25
最后编辑:陆飞 更新时间:2026-04-17 09:34
最后编辑:陆飞 更新时间:2026-04-17 09:34